?糡??????????????????????????
?糡???????????????????????????????????????????????????????塣??????????????????? ??????????糡??????????????????????????????????????????????Σ????????????????????????????????????11-2?????
?糡????????????????????????????????11-3???
?????糡???????????
1??????????
???糡?????????????????????????????11-4 (a)???????????????????11-4 (b)?????????????????????????????????????????????
2??????????豸
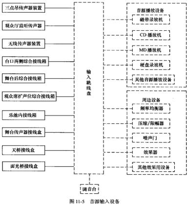
????????豸???????11-5????????豸???????????????У????????豸???????????У???
???????????????????????????????????????????????????????????????????????????????????????????????????????????????????????????????е?????????????????????????????????????????????????豸?????á?
(l)????????????????
????????????????????????λ????????????¥?????????????????????????????????????????????????????λ?????????????????????????????????????????????????????????
(2)??????????????
????????????????????????????????????λ?á??????l??3?????÷???????????????????????????????????????????????????????????
(3)???????????
???????????????????????????λ?????????????????У???????????????????и???????
???????????к?????????????б?????????????????????????????
???????崫??????·??????????·??y???У???????????????????????????3?????????????????????λ??????????????3??????????????????????????????á??????????????????С??11-6?????????????к?????????λ????????
???????????????????????????y???С?
?????и???????????????????????????
(4)???????????
?????????????????????????????????????????糡???????????????????????????????????????????????????????
???????????????????????????????????????????16??????????·??4??????????·????????2??????27о??37о????????????????????????????????λ????????????????·????
(5)??????????????
??????????糡??????????????????????λ????????????????????????????????????????????????????????????????????????????·????????????????????????????????????????????????220V????С??5kVA??
3???????????????豸 ???????????С??????????15m2???????????С????????2.5m??
?????????????????????????????2/3????????????????????????????????????????????????????????????????ü????????塣????????????????????????????????????????????????????磬??????????????1l-7???????????????
??????????????豸???11-5???11-6?е????????豸???????????????????豸????????????豸????????????????????????????????糡?????????????糡??????????????????
????????????????糡????????????????????????????б??????????????????????????????????糡?????????????????16??48???????????4??8???????????4??8???????????4??8??????????????
?????????????????????????????????????????????????????????????м????????????????????????????????????????16??24???????????4???????????4??8????????????????????????????????????????????????
???????????????????????????????????????????????????????????????????????糡?????????????????????????
?????????????????????????豸?????
??????????????????????????????豸???????ü???????洢?????????????????????????????????????????????????????????????????????豸??????????
??CD????????????????????????????????????????????б?????????????????豸????????????????????????????CD-R???????
??????????????????????????????豸??????????ü?????ú???????????豸?????????????????????????????????豸????????
??MD??????????????????????????????豸??
??????????????豸?????????????
????????????????????????????????????????????????????Ч????????????????????????????????????????????????????·??????????????????????????????????????????·??????
????????????????????????????????á?
???????????????豸???????????п?????????????????????????????????豸??
??????????????????????????е??????????????????????????????????????Ч?????????????????????????????????????????????????????????????????????????????????????л???
?????豸????????????????????????????????????????????????????????????????????????????豸????????????????????????????????????????????????洢???У???????鶴???е????
4?????????????豸
????糡??????????????????????????????????????????糡???????????????????ù???????????????????????????????????????????????????????????????????????????????????????????????????????????????????????????о?????????????????????????????????????????????????????????????????????????????????????????????????
5???糡??????????????
?糡????????????????????????λ????????????????е?????????????????????
(1)??????????
????????????????????????????Ч?????????????????????????????????????????????????????λ??????????????????????????????????????????????м???飬???????飬???С??????顣
(2)???????????
?????????????????????????????????????????????????????????????"????"??????????????á??????????????????????????????????????????????????????
(3)???????????
??????????????????????????????????????????????????????á??????λ????С???????????????ó??С????????????????2??3m?????????????????????????á?
(4)???????????
???????????????U??????????????????????????????????????????????????????????????????????????????????б???????????
(5)?????????Ч????????
?????????????????????????????Ч?????????????????????е???????????????????????Ч????????糡???????豸????????糡?????С????????????????????????????Щ???????????????????????????á?
(6)????2???????
??????????μ???????????????????????????????????????????????????????????????С??
(7)??????????????
???????????????????3??????????????????ù?????????????????????????
(8)????????????
???????????????????????????????????????????????м???????????????????????????????????????????????????????б???????????
6???????????
??????????????????????????????GB/T 14197-1993??漲?????豸??????????????????????估????????GY/T 187-2002?????
???????









